| 序號 |
名稱 |
材質 |
| 1 |
閥體 |
ASTM A216 WCB ASTM A217-WC1,WC6,WC9,C5 ASTM A351-CF8,CF8M,CF3,CF3M |
| 2 |
卡套 |
PTFE |
| 3 |
塞子 |
ASTM A182-Gr.F6a ASTM A182-F22 ASTM A182-F304,F316,F321,F304L,F316 |
| 4 |
墊片 |
柔性石墨+不銹鋼 |
| 5 |
調整墊 |
ASTM A182-Gr.F6a ASTM A182-F22 ASTM A182-F304,F316,F321,F304L,F316 |
| 6 |
閥蓋 |
ASTM A216 WCB ASTM A217-WC1,WC6,WC9,C5 ASTM A351-CF8,CF8M,CF3,CF3M |
| 7 |
調整螺栓 |
ASTM A193-B7,A320-B8,A193-B8M |
| 8 |
六角螺母 |
ASTM A194-2H,A194-8,A194-8M |
| 9 |
螺栓 |
ASTM A193-B7,A320-B8,A913-B8M |
| 10 |
手柄 |
ASTM A105-WCB |
| 型號 |
YDAX43-150LB |
| 壓力等級 |
150LB |
| 口徑Size |
mm |
15 |
20 |
25 |
32 |
40 |
50 |
65 |
80 |
100 |
125 |
150 |
200 |
250 |
300 |
350 |
| in |
1/2 |
3/4 |
1 |
11/4 |
11/2 |
2 |
21/2 |
3 |
4 |
5 |
6 |
8 |
10 |
12 |
14 |
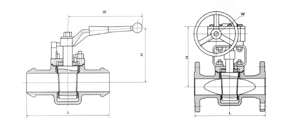
| L |
108 |
117 |
127 |
140 |
165 |
178 |
190 |
203 |
229 |
254 |
267 |
292 |
330 |
356 |
381 |
| H |
110 |
115 |
115 |
135 |
140 |
150 |
165 |
180 |
380 |
460 |
520 |
580 |
620 |
680 |
760 |
| W |
175 |
175 |
175 |
220 |
280 |
305 |
350 |
405 |
300 |
300 |
320 |
320 |
350 |
380 |
450 |
| 重量(kg) |
8.5 |
9.5 |
10.5 |
12 |
14 |
18 |
22 |
26 |
40 |
60 |
70 |
130 |
219 |
381 |
570 |
| 型號 |
YDAX43-300LB |
| 壓力等級 |
300LB |
| 口徑Size |
mm |
15 |
20 |
25 |
32 |
40 |
50 |
65 |
80 |
100 |
125 |
150 |
200 |
250 |
300 |
350 |
| in |
1/2 |
3/4 |
1 |
11/4 |
11/2 |
2 |
21/2 |
3 |
4 |
5 |
6 |
8 |
10 |
12 |
14 |
| L |
140 |
152 |
165 |
178 |
190 |
216 |
241 |
283 |
305 |
381 |
403 |
419 |
457 |
502 |
762 |
| H |
110 |
115 |
115 |
135 |
140 |
150 |
165 |
180 |
380 |
460 |
520 |
580 |
620 |
680 |
760 |
| W |
175 |
175 |
175 |
220 |
280 |
305 |
350 |
405 |
300 |
300 |
320 |
320 |
350 |
380 |
450 |
| 重量(kg) |
9.5 |
10.5 |
12 |
14 |
16 |
20 |
24 |
29 |
53 |
75 |
85 |
185 |
230 |
390 |
550 |
| 型號 |
YDAX43-600LB |
| 壓力等級 |
600LB |
| 口徑Size |
mm |
15 |
20 |
25 |
32 |
40 |
50 |
65 |
80 |
100 |
125 |
150 |
200 |
250 |
300 |
350 |
| in |
1/2 |
3/4 |
1 |
11/4 |
11/2 |
2 |
21/2 |
3 |
4 |
5 |
6 |
8 |
10 |
12 |
14 |
| L |
165 |
190 |
216 |
229 |
241 |
292 |
330 |
356 |
432 |
508 |
559 |
660 |
787 |
838 |
889 |
| H |
110 |
115 |
115 |
135 |
140 |
150 |
165 |
180 |
380 |
460 |
520 |
580 |
620 |
680 |
760 |
| W |
175 |
175 |
175 |
220 |
280 |
305 |
350 |
405 |
300 |
300 |
320 |
320 |
350 |
380 |
450 |
| 重量(kg) |
11 |
13 |
17 |
20 |
23 |
27 |
31 |
36 |
72 |
98 |
141 |
245 |
330 |
515 |
710 |
| 型號 |
YDAX43-900LB |
| 壓力等級 |
900LB |
| 口徑Size |
mm |
15 |
20 |
25 |
32 |
40 |
50 |
65 |
80 |
100 |
125 |
150 |
200 |
250 |
300 |
350 |
| in |
1/2 |
3/4 |
1 |
11/4 |
11/2 |
2 |
21/2 |
3 |
4 |
5 |
6 |
8 |
10 |
12 |
14 |
| L |
229 |
229 |
254 |
279 |
305 |
368 |
419 |
381 |
457 |
559 |
610 |
737 |
838 |
965 |
1029 |
| H |
110 |
115 |
115 |
135 |
140 |
150 |
165 |
180 |
380 |
460 |
520 |
580 |
620 |
680 |
760 |
| W |
175 |
175 |
175 |
220 |
280 |
305 |
350 |
405 |
300 |
300 |
320 |
320 |
350 |
380 |
450 |
| 重量(kg) |
13 |
16 |
21 |
24 |
28 |
32 |
40 |
47 |
91 |
117 |
165 |
285 |
420 |
610 |
860 |
|